1台目パソコンの購入時に付いていた玄人志向 / NVIDIA GeForce GTX750Tiから異音が出た時取り替えていたELSA GeForce® GT 640。
一度分解掃除して取り付けていたが音が煩くなってきた。
ので分解して掃除して保管していた元々付いていたグラボGTX750Tiを出してきて12Vで回してみたら煩くなかったのでとりあえず又取り付けた。
一度分解掃除して取り付けていたが音が煩くなってきた。
ので分解して掃除して保管していた元々付いていたグラボGTX750Tiを出してきて12Vで回してみたら煩くなかったのでとりあえず又取り付けた。
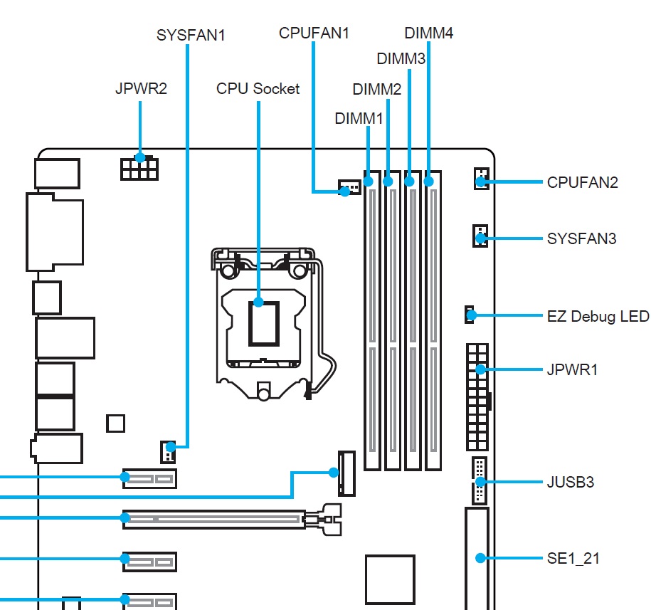
以前のブログを見ていてメモリが1番2番に同じのが刺さっていて(4G2枚)3番4番にあとから購入したシリコンパワーのメモリ(4G2枚)が刺さっている?と思い確認したらやっぱりそうだった。
マニュアルを見ると2番と4番に同じメモリを刺すようになっていた。
パソコンをシャットダウンしてメモリの4番はそのままで1.2.3番を抜いて挿し替えて起動しようとしたら起動しなかった。
画面は真っ暗なまま(青いランプがチカチカしている)いつまでたってもだめだった。
よく考えたらシャットダウンだけしてコンセントを抜かずに作業していた。ガ~ン(T_T)
たぶんメモリ3枚だめになった。
今度はコンセント抜いて1.2.3番のメモリを抜いて4番に刺していた4Gメモリを2番に挿して1枚だけにして電源入れたらあっさり起動した。
メモリを購入しようと思いブラウザを立ち上げたらメモリ不足の表示。

一旦閉じて、システムのプロパティから仮想メモリを設定し直したら正常にブラウザが立ち上がった。
アマゾンから8G2枚購入した。たまたま特選タイムセール中だった(900円引きクーポン使用できたので4090円だった)
「追記」4/27
午後4時頃クロネコのネコポス投稿完了の通知が届いたので早速交換することにした。
パソコンをシャットダウンし、コンセントを抜いて、4Gメモリを外し、新しい8G2枚をスロット2とスロット4に挿して電源オン。
黒画面に白文字で何やら英語でF1かF2を押せと表示。
F1を押すとH170A PC MATEのUEFIメニューが出たので、一番右のフォルダに入り、「変更を保存して再起動」を選んで再起動させて、終了。
普通に立ち上がった。
CPU-Z MSIで確認。

リソースモニタ。
コンピューターのパフォーマンス

「追記」
余ったメモリがもったいないので使うことにした。
全部で3枚挿しの20Gになる予定。
さっそくシャットダウンしコンセントを抜いて余っているスロット1番に挿した。
電源を入れるとおなじみの画面。F1かF2を押せ。
キーボードのF1を押す。
変更を保存して再起動をクリック。

立ち上がりまで1分位かかったが正常に立ち上がった。
CPU-Z MSIで確認。
memory_slot#1_slot#2_slot#3_slot#4

リソースモニタ

パフォーマンス

システム
マニュアルを見ると2番と4番に同じメモリを刺すようになっていた。
パソコンをシャットダウンしてメモリの4番はそのままで1.2.3番を抜いて挿し替えて起動しようとしたら起動しなかった。
画面は真っ暗なまま(青いランプがチカチカしている)いつまでたってもだめだった。
よく考えたらシャットダウンだけしてコンセントを抜かずに作業していた。ガ~ン(T_T)
たぶんメモリ3枚だめになった。
今度はコンセント抜いて1.2.3番のメモリを抜いて4番に刺していた4Gメモリを2番に挿して1枚だけにして電源入れたらあっさり起動した。
メモリを購入しようと思いブラウザを立ち上げたらメモリ不足の表示。
一旦閉じて、システムのプロパティから仮想メモリを設定し直したら正常にブラウザが立ち上がった。
アマゾンから8G2枚購入した。たまたま特選タイムセール中だった(900円引きクーポン使用できたので4090円だった)
「追記」4/27
午後4時頃クロネコのネコポス投稿完了の通知が届いたので早速交換することにした。
パソコンをシャットダウンし、コンセントを抜いて、4Gメモリを外し、新しい8G2枚をスロット2とスロット4に挿して電源オン。
黒画面に白文字で何やら英語でF1かF2を押せと表示。
F1を押すとH170A PC MATEのUEFIメニューが出たので、一番右のフォルダに入り、「変更を保存して再起動」を選んで再起動させて、終了。
普通に立ち上がった。
CPU-Z MSIで確認。
リソースモニタ。
コンピューターのパフォーマンス
「追記」
余ったメモリがもったいないので使うことにした。
全部で3枚挿しの20Gになる予定。
さっそくシャットダウンしコンセントを抜いて余っているスロット1番に挿した。
電源を入れるとおなじみの画面。F1かF2を押せ。
キーボードのF1を押す。
変更を保存して再起動をクリック。
立ち上がりまで1分位かかったが正常に立ち上がった。
CPU-Z MSIで確認。
memory_slot#1_slot#2_slot#3_slot#4
リソースモニタ
パフォーマンス
システム
今日は2022年11月なのだが2009年に購入した東芝ノートパソコンVista用のWindows7アップグレードキットDVD。
結局アップグレードせずに、どこに行ったのか、はたまたもう処分してしまったのかすら分からなくなっていた。ところが突然に、いきなり見つかった。
せっかくなんで、だめもとでやってみた。
最初LANケーブルを挿してインターネットに接続した状態で開始したがいつまでたってもくるくるが終わらないので中止してLANケーブルは外しインターネットから必要な情報をダウンロードしない設定で開始したらうまく進んだ。
アップグレード完了。
この前入れたUbuntuはきれいに消えていた。
mozillaをダウンロードし、MiniToolShadowMaker4.0無料版をダンロードし、インストールした。
Vistaではだめだったが今度は正常にインストールでき、動作した。これでSSDに入れ替えできるかな。
ちなみに今現在電源onから立ち上がりの時間は2分15秒。しかししばらくするとブルースクリーンになって再起動する。
「追記」
まだクローンしていない。それどころではない。突然ブルースクリーン、再起動の繰り返し。
感想。時間の無駄だった。
「追記」
いろいろやっていたら東芝リカバリーソフトというのがあったので試してみようと思い実行したら4時間ほどかかった。
こんなにかかるのか?と思ったが、これでよくなればと思い、4時間待ったらパソコンが再起動した。そして真っ黒な画面に英語の文字の羅列が永遠に流れている。電源ボタン以外まったく反応しない。
どうも違う意味で終わったようだ。
結局アップグレードせずに、どこに行ったのか、はたまたもう処分してしまったのかすら分からなくなっていた。ところが突然に、いきなり見つかった。
せっかくなんで、だめもとでやってみた。
最初LANケーブルを挿してインターネットに接続した状態で開始したがいつまでたってもくるくるが終わらないので中止してLANケーブルは外しインターネットから必要な情報をダウンロードしない設定で開始したらうまく進んだ。
アップグレード完了。
この前入れたUbuntuはきれいに消えていた。
mozillaをダウンロードし、MiniToolShadowMaker4.0無料版をダンロードし、インストールした。
Vistaではだめだったが今度は正常にインストールでき、動作した。これでSSDに入れ替えできるかな。
ちなみに今現在電源onから立ち上がりの時間は2分15秒。しかししばらくするとブルースクリーンになって再起動する。
「追記」
まだクローンしていない。それどころではない。突然ブルースクリーン、再起動の繰り返し。
感想。時間の無駄だった。
「追記」
いろいろやっていたら東芝リカバリーソフトというのがあったので試してみようと思い実行したら4時間ほどかかった。
こんなにかかるのか?と思ったが、これでよくなればと思い、4時間待ったらパソコンが再起動した。そして真っ黒な画面に英語の文字の羅列が永遠に流れている。電源ボタン以外まったく反応しない。
どうも違う意味で終わったようだ。
この間SSD120GBからSSD240GBへクローンしたばかりだったがもう残り少なくなってきたのでSSD500GBへMacrium Reflect8無料版でクローンした。てかこの前はMiniTool ShadowMaker無料版 3.6を使ったのに、なんで今回はこれを使ったのだろう。・・・
クローンが終わるとパソコンをシャットダウンしてSSD250GBを外してSSD500GBを取り付け電源を立ち上げると正常に起動した。
が、なんか残りが増えていない。ディスクの管理で見るとクローンは正常にできているが240GBだけしか見れていない。又ネットで調べて、「新しいシンプルボリュームのウイザード」でパソコンに認識され、空き容量も増えた。
SSD250GBはデジカメのファイルの保存用にしたかったので、普通にフォーマットしただけではシステムで予約済みとかが残ってしまうので、Youtubeで調べてコマンドを打ってクリーン作業をしてから初期化をして全部使えるようにした。
クローンが終わるとパソコンをシャットダウンしてSSD250GBを外してSSD500GBを取り付け電源を立ち上げると正常に起動した。
が、なんか残りが増えていない。ディスクの管理で見るとクローンは正常にできているが240GBだけしか見れていない。又ネットで調べて、「新しいシンプルボリュームのウイザード」でパソコンに認識され、空き容量も増えた。
SSD250GBはデジカメのファイルの保存用にしたかったので、普通にフォーマットしただけではシステムで予約済みとかが残ってしまうので、Youtubeで調べてコマンドを打ってクリーン作業をしてから初期化をして全部使えるようにした。
眠っていたvistaにUbuntuを入れてみた。
ネット検索で調べ試行錯誤に勘違いをやり続けやっとできた。
DVDから入れようとしたがだめだったので、USBから入れたが、そもそも64bitを入れようとしていたのでできるわけがなかった。
しかしFierfoxが日本語じゃないので使いづらい。
macriumをネットからダウンロードして実行もできない。
ssdに差し替えようと思ったが無理だ。
なんか何もかも使いにくいし思ったように動作しない。
しかもシャットダウンしょうとしたらいつまで立ってもシャットダウンしない。
ていうブログ書いていたらやっとシャットダウンした。
ナンジャコレ。
なんか時間の無駄だった感じだけが残った。
ネット検索で調べ試行錯誤に勘違いをやり続けやっとできた。
DVDから入れようとしたがだめだったので、USBから入れたが、そもそも64bitを入れようとしていたのでできるわけがなかった。
しかしFierfoxが日本語じゃないので使いづらい。
macriumをネットからダウンロードして実行もできない。
ssdに差し替えようと思ったが無理だ。
なんか何もかも使いにくいし思ったように動作しない。
しかもシャットダウンしょうとしたらいつまで立ってもシャットダウンしない。
ていうブログ書いていたらやっとシャットダウンした。
ナンジャコレ。
なんか時間の無駄だった感じだけが残った。
2015年にamazonから購入した1台目BTOパソコンが突然画面が真っ暗になったままになったので仕方なく強制終了した。
しばらくは正常に動作していたが今日また画面が真っ暗になった。
分解して掃除して、メモリーを抜き差しし直して、CPUファンを外して掃除した。
CPUグリスがカピカピになっていたので強力拭き取りウエットタイプクリーナーで拭き取り、新しくグリスを塗って取り付けた。
「追記」
2023年1月。
あれから調子いい。一度も画面が真っ黒になることもなかった。
しばらくは正常に動作していたが今日また画面が真っ暗になった。
分解して掃除して、メモリーを抜き差しし直して、CPUファンを外して掃除した。
CPUグリスがカピカピになっていたので強力拭き取りウエットタイプクリーナーで拭き取り、新しくグリスを塗って取り付けた。
「追記」
2023年1月。
あれから調子いい。一度も画面が真っ黒になることもなかった。
最新版をインストールしたがパソコンの調子がおかしくなったので速攻アンインストールした。
今まで使用していた2015年版をまたインストールし直した。そして環境設定を保存していたレジストリをクリックしてもとに戻した。
最初はシステムの復元をしたができなくなってしまったので頭にきた。
二度と新しいゴムはインストールしないと決めた。
今まで使用していた2015年版をまたインストールし直した。そして環境設定を保存していたレジストリをクリックしてもとに戻した。
最初はシステムの復元をしたができなくなってしまったので頭にきた。
二度と新しいゴムはインストールしないと決めた。
カーソルを合わせると拡大されて再生するようになって、すっげえうざかったので、右上の設定から「インライン再生」をOFFにした。これで拡大されなくなった。
Cドライブの空きがないので見てみた。
そうするとCドライブのUsersのWindowsのマイドキュメントのSonyのXperia CompanionのBackupsにめちゃ容量でかいフォルダがあった。日付を見ると前のスマホを購入してからしばらくしてバックアップを取った時のものだった。その中のMediaというフォルダが10数GBあった。たしかこれは音楽ファイルをwavファイルでしこたまスマホに入れていたのを全部バックアップしたやつだ。
その日付のバックアップを全部削除した。そしたら空き容量が12GB増えた。
そうするとCドライブのUsersのWindowsのマイドキュメントのSonyのXperia CompanionのBackupsにめちゃ容量でかいフォルダがあった。日付を見ると前のスマホを購入してからしばらくしてバックアップを取った時のものだった。その中のMediaというフォルダが10数GBあった。たしかこれは音楽ファイルをwavファイルでしこたまスマホに入れていたのを全部バックアップしたやつだ。
その日付のバックアップを全部削除した。そしたら空き容量が12GB増えた。
Windows Defender Antivirus のセキュリティ インテリジェンス更新プログラム - KB915597 (バージョン 1.343.2079.0)
アップデートしたらMozilla Firefoxがおかしくなったのでシステムの復元で元に戻したら正常に戻った。
アップデートしたらMozilla Firefoxがおかしくなったのでシステムの復元で元に戻したら正常に戻った。
忍者のカウンターのサービスが終了してしまい、自分で作成したカウンター画像も消えてしまったので自分のFC2アカウントでカウンター画像をまた最初から作り直しアップロードして各ブログに設置した。
ネットでダウンロードしたオムロンのエクセルの血圧表を使用しているのですが自分なりに使いやすくしました。
別になっていたグラフを数値を記入する同じ場所にグラフを作成しました。
エクセルで血圧を毎日入力しているのですがグラフにすると最小値が0からになって見にくいので最小値を50にしました。
軸の書式設定の軸のオプションの最小値が0.0になっていたので40.0にしました。

ちなみに補助目盛を2.0から5.0にすると見やすくなりました。
別になっていたグラフを数値を記入する同じ場所にグラフを作成しました。
エクセルで血圧を毎日入力しているのですがグラフにすると最小値が0からになって見にくいので最小値を50にしました。
軸の書式設定の軸のオプションの最小値が0.0になっていたので40.0にしました。
ちなみに補助目盛を2.0から5.0にすると見やすくなりました。
YouTube見ててなんかよさげ、と思ってインストした。
開いたら全部英語だったのでネットで調べて日本語にした。
「追記」
文字化けする。いろいろネットで検索してやってみたが直ったと思ったら直らない部分もあったりとめんどくさいので使用をやめた。
今までどおりHeTeMuLu Creator を使う。
開いたら全部英語だったのでネットで調べて日本語にした。
「追記」
文字化けする。いろいろネットで検索してやってみたが直ったと思ったら直らない部分もあったりとめんどくさいので使用をやめた。
今までどおりHeTeMuLu Creator を使う。
2021新FC2カウンター
カテゴリー
最新コメント
[04/12 管理人]
[04/12 管理人]
[04/07 sheephuman]
[04/07 sheephuman]
[03/26 管理人]
プロフィール
HN:
PC男
性別:
男性
自己紹介:
●PC FMV Meディスクトップ(2001年から2002年)
●PC FMV BIBLO NB15B XP(2002年から2010年)
●PC Qosmio F50/85H VISTA(2009年から2016年)(2022年)
●PC ASUS EEEPC1001PX XP(2010年から2015年)
●PC DELL 755SF Core2 Duo E6550 WinXP Pro中古(2012年から2015年)
●PC DELL 780MT Core2 Duo E8400 Win7 Pro 64ビット中古(2014年9月から2016年9月)
●PC BTO Core i7-4790 win7 Pro 64ビット(2015年10月から2025年3月)
●PC BTO Core i7-6700 win7 Pro 64ビット(2016年9月から2024年11月)
●PC BTO AMD Ryzen5-5500 win11 Pro 64ビット(2024年12月から現在)
●PC FMV BIBLO NB15B XP(2002年から2010年)
●PC Qosmio F50/85H VISTA(2009年から2016年)(2022年)
●PC ASUS EEEPC1001PX XP(2010年から2015年)
●PC DELL 755SF Core2 Duo E6550 WinXP Pro中古(2012年から2015年)
●PC DELL 780MT Core2 Duo E8400 Win7 Pro 64ビット中古(2014年9月から2016年9月)
●PC BTO Core i7-4790 win7 Pro 64ビット(2015年10月から2025年3月)
●PC BTO Core i7-6700 win7 Pro 64ビット(2016年9月から2024年11月)
●PC BTO AMD Ryzen5-5500 win11 Pro 64ビット(2024年12月から現在)
最古記事
(09/16)
(09/16)
(09/16)
(09/17)
(09/21)
(09/22)
(09/24)
(09/24)
(10/28)
(12/21)
(01/11)
(03/07)
(03/17)
(03/22)
(03/28)
(04/10)
(04/27)
(05/01)
(05/08)
(06/01)
(06/01)
(06/01)
(07/18)
(08/01)
(09/12)
最新記事
(10/21)
(09/11)
(09/09)
(07/29)
(06/12)
(06/10)
(05/16)
(05/08)
(04/11)
(04/10)
(04/02)
(03/25)
(03/25)
(03/25)
(03/23)
(03/21)
(03/21)
(01/16)
(01/02)
(01/02)
(12/30)
(12/20)
(12/18)
(12/18)
(12/14)
カレンダー
| 10 | 2025/11 | 12 |
| S | M | T | W | T | F | S |
|---|---|---|---|---|---|---|
| 1 | ||||||
| 2 | 3 | 4 | 5 | 6 | 7 | 8 |
| 9 | 10 | 11 | 12 | 13 | 14 | 15 |
| 16 | 17 | 18 | 19 | 20 | 21 | 22 |
| 23 | 24 | 25 | 26 | 27 | 28 | 29 |
| 30 |
ブログ内検索
最新トラックバック
アクセス解析